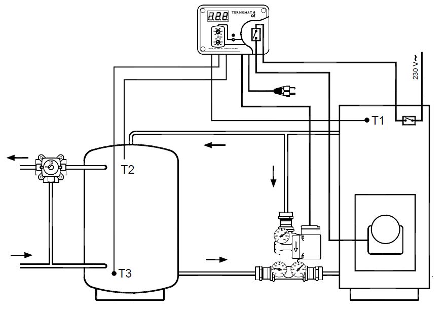
Pelltech põleti juhtimine